BEZPEČNOSTNÍ DVEŘE

DOKONALÁ ŘEŠENÍ S ESTETIKOU - VNÍMANÁ BEZPEČNOST PRO KAŽDOU OBLAST


Ochrana majetku, ochrana osob - zabezpečení má mnoho aspektů. Naše bezpečnostní dveře jsou obzvláště funkční: jsou mimořádně odolné proti nezvaným hostům, ohni, kouři nebo hluku a nejlepší na nich je, že jsou také estetické, ideální pro širokou škálu použití - především v komerčních budovách - vysoce účinně zastavují rostoucí počet vloupání. Ať už se jedná o požadavky na vnitřní bezpečnost firmy, například v oblasti IT, nebo o náročné každodenní použití dveří od kanceláře přes dílnu až po sklad - ocelové dveře Novoferm jsou natolik robustní, že vydrží vše bez poškození, ale zároveň jsou dostatečně flexibilní pro individuální manévrovací prostor.

Různé typy prosklení, široká škála možností speciálního vybavení a v neposlední řadě mnoho možností individuálního barevného provedení dveřního křídla a zárubně zajišťují, že naše ocelové dveře jsou mimořádně bezpečné, atraktivní a díky odborným znalostem společnosti Novoferm všude reprezentativní.

Přehled typů dveří

Ocelové bezpečnostní dveře s testovaným zabezpečením podle RC 2 (WK 2) nabízí společnost Novoferm v provedení se silnou falcovou a zapuštěnou montáží a v provedení s trubkovým rámem z hliníku a oceli.

Zkoušené zabezpečení podle RC 3 (WK 3) je k dispozici u společnosti Novoferm v provedení s tlustýmvrubem a jako konstrukce s trubkovým rámem z hliníku a oceli.

Nabízíme ocelové bezpečnostní dveře s testovaným zabezpečením podle RC 4 (WK 4) v provedení se silnoufalcovou lištou pro použití například v serverovnách.

Ocelové bezpečnostní dveře s testovaným zabezpečením podle RC 2 (WK 2), RC 3 (WK 3) a RC 4 (WK 4) lze v závislosti na provedení kombinovat s třídou požární ochrany EI 30 (T30), EI 60 (T60) a EI 90 (T90).

Porovnání a vlastnosti dveří

Třídy odolnosti a profily pachatelů

Třídy odolnosti a profily pachatelů

Třída odolnosti podle
Norma DIN EN 1627

RC 2 (WK 2)

RC 3 (WK 3)

RC 4 (WK 4)

RC 3 (WK 3)/ FB 4

RC 3 (WK 3)/ VPAM P6

Doba odolnosti podle
normy DIN EN 1627

3 minuty

5 minut

10 minut

5 minut

5 minut

Pachatel podle
Norma DIN EN 1627

 

Příležitostný pachatel

Pachatel

Zkušený pachatel

Pachatel

Pachatel

Chování pachatele a
Nástroje podle
Norma DIN EN 1627

Jednoduché nástroje, jako jsou šroubováky, kleště a klíny.

Pokus pachatele o otevření pomocí druhého šroubováku a kravské nohy

Má také řezné a úderné nástroje (sekera, dláto, kladivo, sekáč, akumulátorová vrtačka)

Pokus pachatele o vloupání druhým šroubovákem a kravskou nohou. Přídavná odolnost proti průstřelu pro ruční zbraně do ráže 44 Rem. Magnum, 357 Magnum

Pokus o vloupání pachatelem s druhým šroubovákem a kravskou nohou. Přídavná odolnost proti střelám až do ráže útočné pušky (AK-47) 7,62 x 39 mm (FJ/PB/ SC)

Protipožární ochrana podle
DIN 4102-5 /
DIN EN 13501-2
  • Bez protipožární ochrany
  • EI2 30 (T30)
  • EI2 60 (T60)
  • EI2 90 (T90)
  • Bez protipožární ochrany
  • EI2 30 (T30)
  • EI2 60 (T60)
  • EI2 90 (T90)
  • Bez protipožární ochrany
  • EI2 30 (T30)
  • EI2 60 (T60)
  • Bez protipožární ochrany
  • EI2 30 (T30)
  • Bez požární ochrany
  • EI2 30 (T30)
Kouřotěsnost
(čtyřstranné těsnění
systém)

- Bez ochrany proti kouři

- S ochranou proti kouři

Zvuková izolace

23 - 44 dB

23 - 44 dB

22 - 47 dB

21 - 38 dB

21 - 38 dB

Tepelná propustnost
součinitel U

1,5 W/m2K

1,8 W/m2K

1,8 W/m2K

1,8 W/m2K

1,8 W/m2K

Testované výkonnostní vlastnosti
pro vnější dveře

-

propustnost vzduchu, těsnost proti dešti, odolnost proti zatížení větrem

VzhledStandardně: dveřní křídlo/rám pozinkované a opatřené základním nátěrem v bílé barvě podobné RAL 9016, na přání také v barvě RAL dle vašeho výběru.
Možnost zasklení

-

-

-

-

-

- Ano - Ne
Třídy odolnosti v testu

Třídy odolnosti v testu

RC2


TŘÍDA ODOLNOSTI RC2 Doba odolnosti 3 minuty*


Oportunista se pokouší proniknout pomocí jednoduchých nástrojů: Používá šroubovák, kleště, klíny nebo malou ruční pilku k přeříznutí odkrytých pantů.


SADA NÁSTROJŮ A 2 Během zkušebního postupu lze klíny nebo šroubovákem zatloukat gumovou paličkou, aby se simulovaly odpovídající údery rukou.


Jinak jsou k dispozici následující nástroje: 1 šroubovák, 1 trubkový klíč, 1 prodlužovací ocelová trubka, různé plastové/dřevěné klíny a různé pilky (na dřevo, pilový list a pilka na železo).

RC3


TŘÍDA ODOLNOSTI RC3 Doba odolnosti 5 minut*

Zloděj je lépe vybaven a používá druhý šroubovák, různé ruční nářadí (malé kladivo, mechanickou vrtačku atd.) a kravskou nohu, aby získal snadnější přístup díky silnější páce. K útoku na zranitelná zamykací zařízení lze použít vrtací nástroj.


SADA NÁSTROJŮ A 3 Zámečnické kladivo nesmí udeřit přímo do dveří - během tohoto zkušebního postupu není rovněž dovoleno udeřit do zkušebního vzorku kravskou nohou. Oba nástroje jsou určeny jako úderníky na čepy nebo k vypáčení či propíchnutí dveří.



Kromě nářadí ze sady nářadí A 2 jsou k dispozici: 1 šroubovák, kravská noha, pila, zámečnické kladivo, ruční vrtačka, sada vrtáků a 1 sada děrovacích kolíků.

RC4


TŘÍDA ODOLNOSTI RC4 Doba odolnosti 10 minut*


Zkušený pachatel má ve svém zavazadle profesionální vybavení: Uchopí pilu a používá různé úderné nástroje, jako je sekera, dláto a akumulátorová vrtačka. Plocha útoku je díky odlišnému použití nástrojů výrazně větší. Ochota riskovat je také vysoká v očekávání adekvátní kořisti a útočník je odhodlán získat přístup.


SADA NÁŘADÍ A 4 Širší spektrum nástrojů činí útok nebezpečnějším.



Kromě nástrojů ze sady nástrojů A 3 obsahuje tato třída také: 1 pístové kladivo, studený sekáč, dláto na dřevo, sekeru, štípač šroubů, akumulátorovou vrtačku, sadu vrtáků a 2 páry nůžek na plech.

Srovnání bezpečnostních dveří

Srovnání bezpečnostních dveří



E-S-6 Dveře s 1 křídlem



E-S-1 Dveře s 1 křídlem



E-S-2 Dveře 2-křídlé



S-D-1 FB4 NS1) Dveře s 1 křídlem



S-D-2 FB4 NS1) Dvoukřídlé dveře

Silný vroubek

-

-

-

-

-

T30 (EI2 30)

-

RS

-

-

-

Tlumení zvuku

-

-

-

-

RC2

-

-

-

RC3

-

-

-

RC4

-

-

Tepelně izolační

-

-

-

-

-

Také pro venkovní použití

-

-

-

-

-

DIN EN 14351-1

-

-

-

-

-

1) Odolnost proti střelám podle normy DIN EN 1522 FB4.
Alternativně k dispozici také jako jednokřídlé dveře S-D-1 jako speciální třída odolnosti proti průstřelu VPAM APR 2006 zkušební stupeň P6.

 

Přehled bezpečnostních dveří

Bezpečnostní dveře

OznačeníSilný záskok / zapuštěná montáž - dostupné tloušťky dveřních výplníPožární ochrana podle DIN 4102-5/ DIN EN 13501-2Ochrana proti kouři podle DIN 18095/ DIN EN 1634-3Bezpečnost podle DIN EN 1627Zkušební hodnota zvukové izolace RWpSoučinitel prostupu tepla U hodnota ve W/m2KKonstrukční rozměr mm

NovoSecur® E-S 6

Dveře 1 křídlo

Tlustý falc 1,0

-

-

RC 2 (WK 2)

33 dB1)

29 dB3)

34 dB2)

1,7

min. 625 x 1750

max. 1250 x 2500

Premio E-S-1 RC2

Dveře 1 zapuštěné

 

 

 

Premio E-S-1 GE- Oversize

Dveře 1 zapuštěné

Silný rabat 1,0/1,5

-

-

RC 2 (WK 2)

40 dB1)

43 dB2)

42 dB4)

1,5

min. 625 x 1750

max. 1375 x 2500

Tlustý vrub 1,0

-

-

RC 2 (WK 2)

39 dB1)

41 dB2)

1,6

max. 1500 x 3000

Premio E-S-2 RC2

Dveře 2 v jedné rovině

 

 

Premio E-S-2 GE oversize

Dveře 2 zapuštěné

Silný rabat 1,0/1,5

-

-

RC 2 (WK 2)

39 dB1)

41 dB2)

42 dB4)

1,5

min. 1375 x 1750

max. 2500 x 2500

Tlustý rabat 1,0

-

-

RC 2 (WK 2)

37 dB1)

40 dB2)

1,6

max. 3000 x 3000

Premio E-S-1 RC3

Dveře 1 křídlo

Silný falc 1,5

-

-

RC 3 (WK 3)

39 dB1)

44 dB2)

43 dB4)

1,8

min. 625 x 1750

max. 1375 x 2500

Premio E-S-2 RC3

Dveře 2 zapuštěné

Silná lišta 1,5

-

-

RC 3 (WK 3)

39 dB1)

42 dB2)

41 dB4)

1,9

min. 1375 x 1750

max. 2500 x 2500

Premio E-S-1 RC4

Dveře 1 v jedné rovině

Silný falc 1,5

El2 30

El2 60

El2 90

-

RC 4 (WK 4)

38 dB1)

46 dB2)

39 dB3)

1,8

min. 625 x 1750

max. 1375 x 2500

Premio S-D-1 RC3 FB4 NS

Dveře 1 křídlo

Silný falc 1,5

T30 / El2 30

-

RC 3 (WK 3) Odolné proti průstřelu FB4 NS

38 dB6)

1,8

min. 625 x 1750

max. 1375 x 2500

Premio S-D-2 RC3 FB4 NS

Dveře 2 v jedné rovině

Silný záklop 1,5

-

-

RC 3 (WK 3) Odolný proti průstřelu FB4 NS

-

1,9

min. 1375 x 1750

max. 2500 x 2500

Uvedené hodnoty závisí na dveřích a montážní situaci - K dispozici - Není k dispozici

1) abs. těsnění dveří 2) dorazová hřídel / 4stranná 3) nájezdové těsnění 4) dvojité abs. těsnění dveří 6) abs. těsnění dveří a dorazová hřídel FB

Hlavní výhody Bezpečnostní dveře

Hlavní výhody Bezpečnostní dveře

POCIT BEZPEČÍ MÁ CENU ZLATA - V KANCELÁŘI, DOMA, VŠUDE.

Pocit bezpečí hraje důležitou roli v ohromujícím množství oblastí našeho života a práce. Bezpečnost před nezvanými hosty, před hlukem a především před nebezpečím, jako je oheň a kouř. Dveře od společnosti Novoferm vám poskytnou přesně takové zabezpečení, jaké si přejete. A to není všechno: kombinují individuálně požadované bezpečnostní faktory se stejně individuálním vzhledem.
Příklady použití, při nichž je bezpečnost obzvláště důležitá, a to i v kombinaci s dalšími ochrannými funkcemi (ochrana proti požáru, kouři nebo hluku):

  • Jako únikové dveře do sklepa
  • jako boční únikové dveře, např. z technické místnosti nebo garáže do zahrady.
  • z výrobních prostor do kanceláře s důležitými dokumenty
  • V ordinacích lékařů a klinikách do místností, kde jsou uloženy léky nebo tampony s recepty.
  • Jako dveře do místností se servery a IT
  • Jako vstupní dveře do bytu
  • Jako zadní únikové dveře, např. do klenotnictví
  • Skladovací prostory v maloobchodních a velkoobchodních podnicích nebo ve výrobním průmyslu.
  • Díky těmto kvalitním vlastnostem zaručujeme
  • Robustní ocelové závěsy s bezpečnostním čepem závěsu (všechny dveře Premio jsou k dispozici také s volitelnými 3D závěsy).
  • Ocelové bezpečnostní čepy se rovněž zapírají do rámu a zabraňují násilnému otevření dveří.
  • Hliníkové bezpečnostní kování podle normy DIN 18257.
  • Vysoce kvalitní zámkový systém, také s vícebodovými zámky
  • Bezpečnostní profilová cylindrická vložka s ochranou proti vytažení jádra podle DIN 18252 / EN 1303, standardně chráněná proti odvrtání a vytažení a s minimálně třemi klíči.
  • Klíče chráněné proti neoprávněnému kopírování bezpečnostní kartou
  • Všechny dveře s útulným silným falcem
  • Možnost mnoha variant vybavení
  • Všechny modely vrat jsou k dispozici také s práškovým lakováním v bezpečnostní barvě RAL a vysoce kvalitním vzhledem: barva dle vašeho výběru

STĚNA JE PRO DVEŘE TAKÉ ROZHODUJÍCÍ - NAPŘÍKLAD PŘI INSTALACI DO LEHKÉ STĚNY - ODOLNÁ AŽ DO RC3.

Zvláštností nejsou jen dveře uvnitř, ale také vše, co k nim patří - Novoferm vám totiž může nabídnout testované bezpečnostní dveře RC2 a RC3 pro instalaci do stěn odolných proti vloupání. Jde o jedinečné řešení, protože i při použití vysoce flexibilních lehkých stěn na svorníky zůstáváte v naprostém bezpečí.

NA BEZPEČNÉ STRANĚ I S MONTÁŽNÍMI STĚNAMI


K čemu jsou bezpečné dveře, když můžete stěnou prakticky projít? Proto vám nabízíme dveře, které spolehlivě splňují třídu ochrany proti vloupání i v lehkých příčkách. Následující typy dveří RC2 a RC3 jsou vhodné pro instalaci do instalačních stěn s ochranou proti vloupání F90A ve spojení se šroubovými uzávěry s naklapávacími hvězdicemi (u dveří RC3 jsou nutné dodatečné navařovací jazýčky):

  • NovoPorta Premio E-S-1 RC2 a RC3
  • NovoPorta Premio E-S-2 RC2 a RC3
  • NovoPorta Premio T30-1/EI2 30-1 RC2 a RC3
  • NovoPorta Premio T30-2/EI2 30-2 RC2 a RC3
  • NovoPorta Premio EI2 60-1 RC2 a RC3
  • NovoPorta Premio EI2 60-2 RC2 a RC3
  • NovoPorta Premio T90-1/EI2 90-1 RC2 a RC3
  • NovoPorta Premio T90-2/EI2 90-2 RC2 a RC3
  • NovoSecur E-S 6 RC2 (s dvoudílným rámem 2140)

Kromě toho najdete v naší technické dokumentaci řadu instalačních stěn F90A/EI90 proti vloupání s přídavnými vložkami z ocelového plechu, které jsou testovány/schváleny ve spojení s našimi bezpečnostními dveřmi Novoferm.

ZASKLENÍ ODOLNÉ PROTI NÁRAZU

Standardem pro dveře odolné proti vloupání je použití prosklení odolného proti nárazu podle normy DIN EN 356. Kromě minimálního zasklení P4A požadovaného pro RC 2 mohou být nyní všechna provedení Premio RC 3 vybavena také odpovídajícím bezpečnostním sklem P5A. Toto sklo je k dispozici také ve spojení s protipožárními třídami EI2 30, EI2 60 a EI2 90. Volitelně je však pro třídu ochrany proti vloupání RC 2 k dispozici také speciální sklo P8B odolné proti rozbití a vloupání, v případě potřeby ve spojení s dodatečnou antipanikovou funkcí - více vnímané bezpečnosti v ceně.

Kromě toho jsou zasklívací lišty na straně nebezpečí u všech skel odolných proti vloupání zajištěny proti vyšroubování nebo vypáčení.

PREMIO VNÁŠÍ DO OBJEKTU BARVU

Exkluzivní vzhled se sofistikovanou technologií Novoferm - výsledkem je harmonický celkový obraz, který na pozorovatele zapůsobí. Dveře mohou být téměř opticky integrovány do stěny, s obrovskou škálou designových možností.

Vysoce kvalitní základní nátěr Novoferm v dopravní bílé barvě (podobné RAL 9016) vypadá velmi atraktivně již při dodání. Pro mnoho majitelů budov je natolik vizuálně přitažlivá, že v montážních situacích, kde nehrozí riziko koroze, je dopravní bílá barvou volby.

Na vyžádání jsou samozřejmě k dispozici téměř všechny barvy RAL. U společnosti Novoferm se tato paleta skládá z dveřního křídla, vzhledu rámu a závěsů, které mohou být navrženy jako celek nebo každý v jiné barvě. Vzniká tak dokonalá souhra mezi vzhledem a bezpečností, která je působivá v každém ohledu.

Podrobnosti o produktu NovoSecur RC 2

Podrobnosti o produktu NovoSecur RC 2

NOVOSECUR® E-S 6 - ŠTÍHLÁ LINIE


CHARAKTERISTIKY A POVRCHOVÉ ÚDAJE Jednokřídlé plné dveře se šestibodovým jištěním pro vnitřní i venkovní použití. Dveřní křídlo o tloušťce 40 mm, na třech stranách falcované s útulným silným falcem. Izolační panel z minerální vlny, plně lepený. Tloušťka plechu 1,0 mm (se superdekorem 0,88 mm). Standardní dveřní křídlo pozinkované a opatřené základním nátěrem (prášková barva RAL 9016).


Volitelná RAL dle vašeho výběru: Všechny velikosti vrat lze dodat také s volitelným práškovým nástřikem RAL dle vašeho výběru pro dveřní křídlo a rám.


Volitelné dveřní křídlo v dekoru super: Dekory dřeva pro použití v interiéru v barvě javor, hruška, třešeň, ořech, přírodní buk, světlý dub nebo bílý jasan. Rám pozinkovaný a opatřený základním nátěrem EC podobným RAL 7035, volitelně RAL dle vašeho výběru.


VERZE Odolnost proti vloupání podle DIN EN 1627 RC2. K dispozici také se standardním a speciálním zasklením. Zvuková izolace od 29 dB do 42 dB se speciální zvukovou izolací, testováno podle DIN EN ISO 140-3, posouzeno podle DIN EN ISO 717-1.



ZÁMEK Standardně: Vícebodový zámek s vyměnitelným profilovým cylindrickým zámkem a dvěma zámky espagnolette. Volitelně: Vícebodový zámek s vyměnitelným profilovým cylindrickým zámkem a dvěma zámky espagnolette a dvěma přídavnými závorami.


ZÁVĚS 2 konstrukce závěsu, trojrozměrně nastavitelné (standardně 3-D závěs), s bezpečnostním závěsem, vyměnitelným kováním z lehkého kovu podle DIN 18257 ES 1 ZA s krátkou zadní deskou 72 mm a profilovou cylindrickou vložkou SI podle DIN 18252 BS (35 + 26 mm), bezpečnostním certifikátem a třemi klíči.


RÁMEČKY Standardní rohový rámeček s těsnicím profilem, volitelně k dispozici jako rámeček pro zapuštěné napojení na stěnu nebo pro dodatečnou montáž.



PRAHY Standardně se spodním prahem, volitelně se spodním těsněním s možností snížení (RS1) nebo dorazovým prahem (BE2).

Podrobnosti o NovoPorta Premio E-S RC 2

Podrobnosti o NovoPorta Premio E-S RC 2

NOVOPORTA PREMIO E-S-1 / E-S-2 - DIE KLASSIKER


CHARAKTERISTIKY A POVRCHY Jednokřídlé a dvoukřídlé plné ocelové dveře pro vnitřní i vnější použití. Dveřní křídlo o tloušťce 64 mm, na třech stranách falcované s útulným silným falcem. Tloušťka plechu 1 mm, na přání je k dispozici tloušťka 1,5 mm. Vnitřní výztuha pro zavírač dveří na straně závěsu (dvoukřídlé na aktivním a pasivním křídle).

Standardní dveřní křídlo a rám pozinkované a opatřené základním nátěrem (prášková barva RAL 9016). Volitelné dveřní křídlo, rám a závěsy jsou k dispozici v barvách RAL dle vašeho výběru.


DESIGNY Odolnost proti vloupání podle normy DIN EN 1627 RC2. Tepelně izolované s výplní z minerální vlny. Na přání také zvukově izolační 40 dB (jednokřídlé) nebo 39 dB (dvoukřídlé), testováno podle DIN EN ISO 140-3, posouzeno podle DIN EN ISO 717-1 (laboratorní hodnota pro plné křídlo a práh RS1).

Také s ochranou proti kouři podle DIN 18095 se spodním těsněním se spádem (RS1) nebo s hrbovým prahem s těsněním s přesahem (RS2) a horním zavíračem dveří (u dvoukřídlých jednotek se dvěma horními zavírači Dorma TS 89 F nebo Geze TS 4000 F, jakož i s koordinátorem dveří a speciální falcovou hnací závorou s horním a spodním uzávěrem).


Závěsy Závěsy třídílné konstrukce s kuličkovými ložiskovými kroužky a bezpečnostními zástrčkami závěsů ve standardní výbavě. Dva závěsy na křídlo ve standardním bílém základním nátěru podobném RAL 9016; volitelně jsou k dispozici také v nerezovém provedení nebo jako 3-D nastavitelné závěsy z oceli a nerezové oceli. Pružinový závěs na křídlo do BRM 1 250 x 2 250 mm (LD 1 166 x 2 208 mm). Dva zajišťovací čepy na každé dveřní křídlo. Bezpečnostní zadlabací zámek PZ podle DIN 18251 třídy 4, bezpečnostní zadlabací kování FS z lehkého kovu podle DIN 18257 ES 1 ZA, krátká zadní deska s roztečí cylindrických vložek 72 mm, profilová cylindrická vložka SI s ochranou proti odvrtání podle DIN 18252 třídy P2 BZ (50 + 35 mm), bezpečnostní certifikát a nejméně tři klíče. Přídavný zapuštěný středový závěs s těsněním středové lišty pro dvoukřídlé dveře. Neaktivní křídlo se skrytým zámkem s čelní deskou s horním a spodním uzamykáním.


RÁMY Standardně: Rohový rám s třístranným těsnicím profilem, tloušťka 2,0 mm, šířka příčle 50 mm, volitelný okolní rám, dvoudílný okolní rám profilu 2140B, pultový rám a blokové rámy pro zapuštěné napojení na stěnu nebo blokový rám pro montáž před stěnu.



PRACHY Standardní A v jedné rovině s podlahou, volitelně B1, B2, B3 nebo BE-2 se čtyřstranným okolním rámem nebo C2 se spodním dorazem nebo těsnicími parapety RS1 se spouštěným spodním těsněním (k dispozici také jako zpožděné spouštění RS1V), dvojitým parapetem RS1 nebo hrbovým parapetem s nájezdovým těsněním RS2.

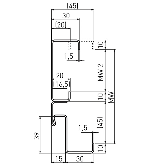
HORIZONTÁLNÍ ŘEZ E-S-2 RC2

Podrobnosti o NovoPorta Premio E-S RC 3

Podrobnosti o NovoPorta Premio E-S RC 3

NEWPORT PREMIO E-S-1 / E-S-2 - MASIVNÍ


CHARAKTERISTIKY A POVRCHOVÉ ÚPRAVY Jednokřídlé a dvoukřídlé plné ocelové dveře pro vnitřní i venkovní použití. Dveřní křídlo o tloušťce 64 mm, na třech stranách falcované s útulným silným falcem. Tloušťka plechu 1,5 mm. Vnitřní výztuha pro zavírač dveří na straně závěsu (dvoukřídlé na aktivním a neaktivním křídle). Standardní dveřní křídlo a rám pozinkované a opatřené základním nátěrem (prášková barva RAL 9016). Dveřní křídlo, rám a závěsy volitelně v barvě RAL dle vašeho výběru.


VERZE Odolné proti vloupání podle normy DIN EN 1627 RC3. Tepelně izolované s výplní z minerální vlny. Volitelně také zvuková izolace 39 dB testováno podle DIN EN ISO 140-3, posouzeno podle DIN EN ISO 717-1 (laboratorní hodnota pro 1křídlé a 2křídlé plné dveře a práh RS1). E-S-1 je k dispozici také jako stěnová klapka od BRM 500 x 715 mm do 1 000 x 1 750 mm.


Závěsy Závěsy 3dílné konstrukce s kuličkovými ložiskovými kroužky a zámky čepů závěsů jako standard. Dva stavební závěsy na křídlo ve standardním bílém základním nátěru podobném RAL 9016; na přání k dispozici také v nerezovém provedení, jako 3-D stavitelné závěsy z oceli a nerezové oceli nebo jako štíhlý 3-D objektový závěs z nerezové oceli. Dva bezpečnostní čepy na každé dveřní křídlo do výšky BRM 2 125 mm, výše 3 kusy.

Bezpečnostní zadlabací zámek PZ podle DIN 18250 třídy 4, se speciální závorou. (Dvoukřídlé dveře s protilehlou stranou závěsu pouze ve spojení s vícebodovým zámkem) FS bezpečnostní rozetová sada z lehkého kovu podle DIN 18257 ES 2 ZA, dlouhá zadní deska s roztečí cylindrických vložek 72 mm, cylindrická vložka s profilem SI chráněným vrtáním podle DIN 18252 třídy P2 BZ (50 + 35 mm), bezpečnostní certifikát a nejméně tři klíče.

Přídavný zapuštěný středový závěs s těsněním středové lišty pro dvoukřídlé dveře. Neaktivní křídlo se skrytým zámkem s čelní deskou s horním a spodním uzamykáním.


RÁMY Standardně: Rohový rám s třístranným těsnicím profilem, tloušťka 2,0 mm, šířka rámu 50 mm, volitelný okolní rám, dvoudílný profil okolního rámu 2140B, pultový rám a blokové rámy pro zapuštěné napojení na stěnu.


PARAPETY Standardně A v jedné rovině s podlahou, volitelně B1, B2, B3 nebo BE2 se čtyřstranným okolním rámem nebo C2 se spodním dorazem nebo těsnicí parapety RS1 se spouštěným podlahovým těsněním (k dispozici také jako RS1V se zpožděným spouštěním) nebo dvojitý parapet RS1.

HORIZONTÁLNÍ ŘEZ E-S-1 RC3

HORIZONTÁLNÍ ŘEZ E-S-2 RC3

Podrobnosti o NovoPorta Premio E-S / EI-30 / EI-60 RC 4

Podrobnosti o NovoPorta Premio E-S / EI-30 / EI-60 RC 4

NOVOPORTA PREMIO E-S-1 / EI2 30-1 / EI2 60-1 - DIE UMFASSENDE


CHARAKTERISTIKY A POVRCHOVÉ ÚROVNĚ Jednokřídlé plné ocelové dveře pro vnitřní i vnější použití. Dveřní křídlo o tloušťce 64 mm, na třech stranách falcované s útulným silným falcem. Tloušťka plechu 1,5 mm. Protipožární lišta na 3 stranách pro požárně odolné provedení EI2 30 nebo vysoce požárně odolné provedení EI2 60. Vnitřní výztuha pro zavírač dveří na straně závěsu. Dveřní křídlo a rám standardně pozinkované a opatřené základním nátěrem (prášková barva RAL 9016). Dveřní křídlo, rám a závěsy jsou volitelně k dispozici v barvě RAL podle vašeho výběru.


VERZE Odolné proti vloupání podle normy DIN EN 1627 RC4. Tepelně izolované s výplní z minerální vlny. Volitelně také zvuková izolace 38 dB testováno podle DIN EN ISO 140-3, posouzeno podle DIN EN ISO 717-1 (laboratorní hodnota pro plné dveřní křídlo a práh RS1). Protipožární verze (EI2 30 a EI2 60) jsou k dispozici také s ochranou proti kouři podle normy EN 1634-3.


Závěsy Závěsy třídílné konstrukce s kuličkovými ložiskovými kroužky a bezpečnostními zástrčkami závěsů ve standardní výbavě. Dva stavební závěsy na křídlo ve standardním bílém základním nátěru podobném RAL 9016; volitelně jsou k dispozici také v nerezovém provedení nebo jako 3-D nastavitelné závěsy z oceli a nerezové oceli.

Protipožární verze (EI2 30 a EI2 60) se standardně dodávanými horními zavírači dveří Geze TS 4000 F nebo dormakaba TS 89 F. Pět uzamykacích čepů do výšky BRM 2 300 mm, nad tuto výšku 6 kusů. Zadlabací zámek PZ se západkou a závorou jako bezpečnostní vícebodový zámek s kombinací dvojitého čepu a kyvného čepu nahoře a dole a dvěma přídavnými kyvnými čepy. Bezpečnostní rozetová sada FS z lehkého kovu podle DIN 18257 ES 3 ZA, dlouhá zadní deska s roztečí cylindrických vložek 72 mm, cylindrická vložka s profilem SI chráněným vrtáním podle DIN 18252 42-, 82-BS (50 + 35 mm), bezpečnostní certifikát a nejméně tři klíče.


RÁMEČKY Standardně: Rohový rámeček s třístranným těsnicím profilem, tloušťka 2,0 mm, šířka zrcadla 50 mm, volitelný okolní rámeček, dvoudílný okolní rámeček profilu 2140B, protirámeček a blokové rámečky pro zapuštěné připojení ke stěně.


PRAHY Standardně A v jedné rovině s podlahou, volitelně B3 nebo BE-2 se čtyřstranným okolním rámem nebo C2 se spodním dorazem nebo těsnicí prahy RS1 se spouštěným spodním těsněním (k dispozici také jako RS1V se zpožděným spouštěním) nebo dvojitý práh RS1. Popis prahů viz str. 34.

HORIZONTÁLNÍ ŘEZ E-S -1 RC4

Podrobnosti o NovoPorta Premio T/EI-30 - T/EI-60 - T/EI-90 RC 2

Podrobnosti o NovoPorta Premio T/EI-30 - T/EI-60 - T/EI-90 RC 2

NOVOPORTA PREMIO T/EI2 30-1 UND T/EI2 30-2 / EI2 60-1 UND EI2 60-2 / T/EI2 90-1 UND T/EI2 90-2 - DIE VIELSEITIGEN


CHARAKTERISTIKY A POVRCHY Jednokřídlé a dvoukřídlé plné ocelové protipožární dveře pro vnitřní použití. Dveřní křídlo o tloušťce 64 mm, na třech stranách falcované s útlumovým silným falcem. Tloušťka plechu 1 mm, na přání je k dispozici 1,5 mm. Jednokřídlé dveře T30/EI2 30 s dodatečnou vnitřní výztuhou pro zavírač dveří na straně závěsů. Protipožární lišty na 3 stranách, u dvoukřídlých prvků navíc na středovém falci aktivního křídla. Standardní dveřní křídlo a rám pozinkované a opatřené základním nátěrem (prášková barva RAL 9016). Dveřní křídlo, rám a závěsy jsou volitelně k dispozici v barvě RAL podle vašeho výběru.


DESIGNY Odolnost proti vloupání podle normy DIN EN 1627 RC2. Tepelně izolované s protipožárním/vysoce protipožárním/požárně odolným panelem dveřního křídla. Volitelně také zvukově izolační 40 dB pro T30/EI2 30-1 39 dB pro T30/EI2 30-2 a T90/EI2 90-1/-2 35 dB pro EI2 60-1/-2 testováno podle DIN EN ISO 140-3, posouzeno podle DIN EN ISO 717-1 (laboratorní hodnota pro celé křídlo a práh RS1). Rovněž s ochranou proti kouři podle DIN 18095 nebo EN 1634-3 s klesajícím spodním těsněním (RS1) nebo hrbovým prahem s nájezdovým těsněním (RS2 / pouze pro prvky T30/EI2 30) a horním zavíračem dveří. T30/EI2 30-1 a T90/EI2 90-1 jsou k dispozici také jako stěnová klapka od BRM 500 x 715 mm do 1 000 x 1 750 mm.


Závěsy Závěsy 3dílné konstrukce s kuličkovými ložiskovými kroužky a bezpečnostními zástrčkami závěsů ve standardní výbavě. Dva závěsy na křídlo ve standardním bílém základním nátěru podobném RAL 9016; na přání jsou k dispozici také v nerezovém provedení nebo jako 3D stavitelné závěsy z oceli a nerezové oceli. Dveře T30/EI2 30-1 a EI2 60-1 s konstrukčním závěsem a pružinovým závěsem podle DIN 18272, některé s horním zavíračem v závislosti na velikosti a hmotnosti. Dva zajišťovací čepy na každé dveřní křídlo (tři zajišťovací čepy u jednotek T90/EI2 90 od výšky 2 126 mm). Bezpečnostní zadlabací zámek PZ podle DIN 18251 třídy 4, bezpečnostní zadlabací kování FS z lehkého kovu podle DIN 18257 ES 1 ZA, krátká zadní deska s roztečí cylindrických vložek 72 mm, profilová cylindrická vložka SI s ochranou proti odvrtání podle DIN 18252 třídy P2 BZ (50 + 35 mm), bezpečnostní certifikát a tři klíče.

Přídavný zapuštěný středový závěs s těsněním středové západky pro dvoukřídlé dveře. Neaktivní křídlo se skrytou falcovou hnací závorou s horním a dolním uzávěrem, stejně jako se dvěma horními zavírači Dorma TS 89 F nebo Geze TS 4000 F a koordinátorem dveří.


RÁMY Standardně: Rohový rám s třístranným těsnicím profilem, tloušťka 2,0 mm, šířka příčle 50 mm, volitelný obložkový rám, dvoudílný obložkový rám profilu 2140B, pultový rám a blokové rámy pro zapuštěné napojení na stěnu nebo u prvků T30/EI2 30 také blokový rám pro montáž před stěnu.


PRAHY Standardně A v jedné rovině s podlahou, volitelně B1, B2, B3 nebo BE-2 se čtyřstranným rámem nebo C2 se spodním dorazem nebo těsnicí prahy RS1 se spouštěným spodním těsněním (i se zpožděným spouštěním RS1V), dvojitý práh RS1 nebo hrbatý práh s nájezdovým těsněním RS2 (práh RS2 pouze pro prvky T30/EI2). Popis prahu viz str. 34.

HORIZONTALSCHNITT T30-1/EI2 30-1; EI2 60-1; T90-1/EI2 90-1 RC2

HORIZONTALSCHNITT T30-2/EI2 30-2; EI2 60-2; T90-2/EI2 90-2 RC2

Podrobnosti o NovoPorta Premio T/EI-30 - T/EI-60 - T/EI-90 RC 3

Podrobnosti o NovoPorta Premio T/EI-30 - T/EI-60 - T/EI-90 RC 3

NOVOPORTA PREMIO T/EI2 30-1 UND T/EI2 30-2 / EI2 60-1 UND EI2 60-2 / T/EI2 90-1 UND T/EI2 90-2 - DIE BESTÄNDIGEN


CHARAKTERISTIKY A POVRCHY Jednokřídlé a dvoukřídlé plné ocelové dveře pro vnitřní použití. Dveřní křídlo o tloušťce 64 mm, na třech stranách falcované s útulným silným falcem. Tloušťka plechu 1,5 mm. Protipožární pásek na 3 stranách, u dvoukřídlých jednotek navíc na středovém falci aktivního křídla. Standardní dveřní křídlo a rám pozinkované a opatřené základním nátěrem (prášková barva RAL 9016). Dveřní křídlo, rám a závěsy jsou volitelně k dispozici v barvě RAL podle vašeho výběru.


DESIGNY Odolnost proti vloupání podle normy DIN EN 1627 RC3. Volitelně také zvuková izolace 39 dB testováno podle DIN EN ISO 140-3, posouzeno podle DIN EN ISO 717-1 (laboratorní hodnota pro 1křídlé a 2křídlé plné dveře a práh RS1). Také s ochranou proti kouři podle DIN 18095 nebo EN 1634-3. T30/EI2 30 a T90/EI2 90 jsou k dispozici také jako stěnová klapka od BRM 500 x 715 mm do 1 000 x 1 750 mm.


Závěsy Závěsy 3dílné konstrukce s kuličkovými ložiskovými kroužky, bezpečnostní zástrčkou závěsu a standardními nůžkovými ramenovými zavírači horních dveří (Geze TS 4000 F nebo Dorma TS 89 F) ve standardním provedení. Dva stavební závěsy na každé dveřní křídlo ve standardním bílém základním nátěru podobném RAL 9016; volitelně k dispozici také v nerezovém provedení, jako 3-D stavitelné závěsy z oceli a nerezové oceli nebo jako štíhlý 3-D objektový závěs z nerezové oceli.

Dva bezpečnostní čepy na každé dveřní křídlo do výšky BRM 2 125 mm, od výšky 3 kusy.

Bezpečnostní zadlabací zámek PZ podle DIN 18250 třídy 4, se speciální závorou. (Dvoukřídlé dveře s protilehlou stranou závěsu pouze ve spojení s vícebodovým zámkem) FS bezpečnostní rozetová sada z lehkého kovu podle DIN 18257 ES 2 ZA, dlouhá zadní deska s roztečí cylindrických vložek 72 mm, profilová cylindrická vložka SI chráněná vrtáním podle DIN 18252 třídy P2 BZ (50 + 35 mm), bezpečnostní certifikát a nejméně tři klíče.

Přídavný zapuštěný středový závěs s těsněním středové lišty pro dvoukřídlé dveře. Neaktivní křídlo se skrytou falcovou hnací závorou s horním a dolním uzávěrem, jakož i se dvěma horními zavírači dveří Geze TS 4000 F nebo Dorma TS 89 F a koordinátorem dveří.


RÁMY Standardně: Rohový rám s třístranným těsnicím profilem, tloušťka 2,0 mm, šířka příčle 50 mm, volitelný okolní rám, dvoudílný profil okolního rámu 2140B, pultový rám a blokové rámy pro zapuštěné napojení na stěnu.



PARAPETY: Standardně A v jedné rovině s podlahou, volitelně B1, B2, B3 nebo BE-2 se čtyřstranným okolním rámem nebo C2 se spodním dorazem nebo těsnicími parapety RS1 se spouštěným podlahovým těsněním (stejně jako RS1V se zpožděným spouštěním) nebo dvojitým parapetem RS1.

HORIZONTALSCHNITT T30-1/ EI2 30-1 / EI2 60-1 / T90-1/ EI2 90-1 RC3

HORIZONTALSCHNITT T30-2/ EI2 30-2 / EI2 60-2 / T90-2/ EI2 90-2 RC2

Kování a příslušenství

Kování a příslušenství

Pokud jde o zabezpečení, mělo by být vše dokonalé. Proto je každá součást bezpečnostních dveří Novoferm promyšlena do nejmenšího detailu, zkombinována s ostatními pro maximální účinnost a dokonale přizpůsobena požadovaným požadavkům, normám a přáním.

To se projevuje zejména v mnoha detailech, které z běžných ocelových dveří udělají bezpečnostní dveře Novoferm s klasifikací RC. Patří k nim například bezpečnostní profilové vložky chráněné vrtáním a tahem podle DIN 18252 BZ včetně tří klíčů s bezpečnostním certifikátem.
Bezpečnostní dveře Novoferm jsou však ideální volbou také díky široké škále možností vybavení našich bezpečnostních dveří dalšími ochrannými funkcemi, jako je ochrana proti požáru, kouři a hluku, které jsou ve veřejném sektoru často dodatečně vyžadovány.

SI-GARNITUREN

Bezpečnostní dveře Novoferm jsou již standardně vybaveny vysoce pevným bezpečnostním výměnným kováním z lehkého kovu s krátkou zadní deskou a krytem cylindrické vložky (RC2) nebo dlouhou zadní deskou (RC3).

Díky tomu jsou také vizuálně atraktivní. Volitelně jsou k dispozici také jako sada pákových klik a v nerezovém provedení.


ANTIPANICKÝ ZÁMEK Panikové zámky podle normy DIN EN 1125 jsou povinné ve veřejných budovách, kde musí být v případě paniky zajištěn bezpečný únik bez vynaložení velkého úsilí. Jedná se například o letiště, kina, nákupní centra, nemocnice, školy a budovy veřejné správy. Současně zde však platí i zvýšené bezpečnostní požadavky. Všechny bezpečnostní dveře Novoferm lze proto kombinovat s panikovým zámkem.


Dveřní zavírače Pokud je třeba zohlednit nejen specifické bezpečnostní funkce, ale také požární ochranu, jsou zavírače dveří povinné - také s koordinátorem dveří pro dvoukřídlé dveře. Pro bezpečnostní dveře Novoferm jsou k dispozici různé modely (některé volitelné).


HLEDÁČ DVEŘÍ Pocit bezpečí začíná tím, že víte, kdo je u dveří. Dveře s kukátkem a uzamykatelným řetízkem (obojí je volitelné) zajišťují bezpečnost. Dveřní kukátka jsou k dispozici až do bezpečnostní třídy RC3.

Přehled vašich plusových bodů

  • Ocelové bezpečnostní dveře s testovaným zabezpečením podle RC 2 (WK 2), RC 3 (WK 3) a RC 4 (WK 4).
  • Možnost kombinace s třídou požární ochrany EI 30 (T30), EI 60 (T60) a EI 90 (T90) (v závislosti na provedení).
  • Robustní ocelové závěsy s bezpečnostním čepem závěsu (mnoho dveří je standardně vybaveno 3-D závěsem).
  • Ocelové zajišťovací čepy se rovněž zapírají do rámu a zabraňují násilnému otevření dveří
  • Hliníkové bezpečnostní kování podle normy DIN 18257
  • Vysoce kvalitní zámkový systém, také s vícebodovými zámky

     

  • Klíče chráněné proti neoprávněnému kopírování pomocí bezpečnostní karty
  • Všechny dveře s útulnou silnou falcovou nebo zápustnou montáží
  • Bezpečnostní profilová vložka s ochranou proti vytažení jádra podle DIN 18252, standardně chráněná proti odvrtání a vytažení a se třemi klíči.
  • V závislosti na typu dveří k dispozici také v kombinaci s protipožární, kouřovou a zvukovou ochranou.
  • Možnost mnoha variant vybavení
  • V závislosti na modelu dveří k dispozici s novým designovým povrchem nebo v povrchových úpravách Super-Color, Super-Dekor nebo RAL podle vašeho výběru.

Technologie a podrobnosti

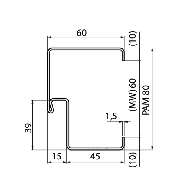
Objednací a montážní rozměry E-S-6 / RC 2

Celkové rozměry

Jmenovité rozměry

Světlé rozměry průchodu1)

Rozměry rámu2)

MZ

T30 EI2 30

EI2 60

T90 EI2 90

RC2

RC3

RC4

(objednací rozměry)
E-S 6

750 x 2.000

760 x 2.005

700 x 1.975

790 x 2.040

-

-

750 x 2.125

760 x 2.130

700 x 2.100

790 x 2.165

-

-

875 x 1.875

885 x 1.880

825 x 1.850

915 x 1.915

-

-

875 x 2.000

885 x 2.005

825 x 1.975

915 x 2.040

-

-

875 x 2.125

885 x 2.130

825 x 2.100

915 x 2.165

-

-

1.000 x 1.875

1.010 x 1.880

950 x 1.850

1.040 x 1.915

-

-

1.000 x 2.000

1.010 x 2.005

950 x 1.975

1.040 x 2.040

-

-

1.000 x 2.125

1.010 x 2.130

950 x 2.100

1.040 x 2.165

-

-

1.125 x 2.000

1.135 x 2.005

1.075 x 1.975

1.165 x 2.040

-

-

1.125 x 2.125

1.135 x 2.130

1.075 x 2.100

1.165 x 2.165

-

-

1.250 x 2.000

1.260 x 2.005

1.200 x 1.975

1.290 x 2.040

-

-

1.250 x 2.125

1.260 x 2.130

1.200 x 2.100

1.290 x 2.165

-

-

1.250 x 2.250

1.260 x 2.255

1.200 x 2.225

1.290 x 2.290

-

-

1.250 x 2.500

1.260 x 2.505

1.200 x 2.475

1.290 x 2.540

-

-

Přípustný rozsah rozměrů: BRMod 625 x 1750 mm do 1250 x 2500 mm
Objednací a montážní rozměry Premio E-S-1 / T30/EI2 30-1 / EI2 60-1 / T90/EI2 90-1 (jednokřídlý) / RC2/3

Baurichtmaße

Nennmaße

Lichte Durchgangsmaße1)

Zargenaußenmaße2)

MZ

T30 EI2 30

EI2 60

T90 EI2 90

RC2

RC3

RC4

(Bestellmaße)
Cena E-S-1 / T30/EI2 30-1 / EI2 60-1 / T90/EI2 90-1 (1-flgl. Türen)

E-S-1

Cena

Cena

Cena

750 x 2.000

760 x 2.005

666 x 1.957

828 x 2.058

-

-

-

-

-

-

750 x 2.125

760 x 2.130

666 x 2.082

828 x 2.183

-

-

-

-

-

-

875 x 1.875

885 x 1.880

791 x 1.832

953 x 1.933

-

-

-

-

-

-

875 x 2.000

885 x 2.005

791 x 1.957

953 x 2.058

-

-

-

-

-

-

875 x 2.125

885 x 2.130

791 x 2.082

953 x 2.183

-

-

-

-

-

-

1.000 x 2.000

1.010 x 2.005

916 x 1.957

1.078 x 2.058

-

-

-

-

-

-

1.000 x 2.125

1.010 x 2.130

916 x 2.082

1.078 x 2.183

-

-

-

-

-

-

1.125 x 2.000

1.135 x 2.005

1.041 x 1.957

1.203 x 2.058

-

-

-

-

-

-

1.125 x 2.125

1.135 x 2.130

1.041 x 2.082

1.203 x 2.183

-

-

-

-

-

-

1.250 x 2.000

1.260 x 2.005

1.166 x 1.957

1.328 x 2.058

-

-

-

-

-

-

1.250 x 2.125

1.260 x 2.130

1.166 x 2.082

1.328 x 2.183

-

-

-

-

-

-

1.250 x 2.250

1.260 x 2.255

1.166 x 2.207

1.328 x 2.308

-

-

-

-

-

-

1.250 x 2.500

1.260 x 2.505

1.166 x 2.457

1.328 x 2.558

-

-

-

-

-

-

Zulässiger Größenbereich NovoPorta Premio E-S-1 / T30/EI2 30-1 / EI2 60-1 / T90/EI2 90-1: BRMvon 500 x 715 mm bis 1.375 x 2.500 mm
Objednací a montážní rozměry Premio E-S-2 / T30/EI2 30-2 / EI2 60-2 / T90/EI2 90-2 (dvoukřídlý) / RC 2/ 3

Baurichtmaße

Nennmaße

Lichte Durchgangsmaße1)

Zargenaußenmaße2)

MZ

T30 EI2 30

EI2 60

T90 EI2 90

RC2

RC3

RC4

(Bestellmaße)
Premio E-S-2 / T30/EI2 30-2 / EI2 60-2 / T90/EI2 90-2 (2-flgl. Türen)

E-S-1

Cena

Cena

Cena

1.500 x 2.0003)

1.510 x 2.005

1.416 x 1.957

1.578 x 2.058

-

-

-

-

-

-

1.500 x 2.1253)

1.510 x 2.130

1.416 x 2.082

1.578 x 2.183

-

-

-

-

-

-

1.750 x 2.0004)

1.760 x 2.005

1.666 x 1.957

1.828 x 2.058

-

-

-

-

-

-

1.750 x 2.1254)

1.760 x 2.130

1.666 x 2.082

1.828 x 2.183

-

-

-

-

-

-

2.000 x 2.000

2.010 x 2.005

1.916 x 1.957

2.078 x 2.058

-

-

-

-

-

-

2.000 x 2.125

2.010 x 2.130

1.916 x 2.082

2.078 x 2.183

-

-

-

-

-

-

2.000 x 2.500

2.010 x 2.505

1.916 x 2.457

2.078 x 2.558

-

-

-

-

-

-

2.125 x 2.125

2.135 x 2.130

2.041 x 2.082

2.203 x 2.183

-

-

-

-

-

-

2.250 x 2.250

2.260 x 2.255

2.166 x 2.207

2.328 x 2.308

-

-

-

-

-

-

2.500 x 2.500

2.510 x 2.505

2.416 x 2.457

2.578 x 2.558

-

-

-

-

-

-

Zulässiger Größenbereich NovoPorta Premio E-S-2 / T30/EI2 30-2 / EI2 60-2 / T90/EI2 90-2: BRMvon 1.375 x 1.750 mm bis 2.500 x 2.500 mm 3) Gangflügel BRM ca. 930 mm breit 4) Gangflügel BRM ca. 975 mm breit
Objednací a montážní rozměry Premio E-S-1 / EI2 30-1 / EI2 60-1 (jednokřídlý) / RC 4

Baurichtmaße

Nennmaße

Lichte Durchgangsmaße1)

Zargenaußenmaße2)

MZ

T30 EI2 30

EI2 60

T90 EI2 90

RC2

RC3

RC4

(Bestellmaße)
Premio E-S-2 / T30/EI2 30-2 / EI2 60-2 / T90/EI2 90-2 (2-flgl. Türen)

E-S-1

Cena

Cena

Cena

750 x 2.000

760 x 2.005

666 x 1.957

828 x 2.058

-

-

-

-

-

750 x 2.125

760 x 2.130

666 x 2.082

828 x 2.183

-

-

-

-

-

875 x 2.000

885 x 2.005

791 x 1.957

953 x 2.058

-

-

-

-

-

875 x 2.125

885 x 2.130

791 x 2.082

953 x 2.183

-

-

-

-

-

1.000 x 2.000

1.010 x 2.005

916 x 1.957

1.078 x 2.058

-

-

-

-

-

1.000 x 2.125

1.010 x 2.130

916 x 2.082

1.078 x 2.183

-

-

-

-

-

1.125 x 2.000

1.135 x 2.005

1.041 x 1.957

1.203 x 2.058

-

-

-

-

-

1.125 x 2.125

1.135 x 2.130

1.041 x 2.082

1.203 x 2.183

-

-

-

-

-

1.250 x 2.000

1.260 x 2.005

1.166 x 1.957

1.328 x 2.058

-

-

-

-

-

1.250 x 2.125

1.260 x 2.130

1.166 x 2.082

1.328 x 2.183

-

-

-

-

-

1.250 x 2.250

1.260 x 2.255

1.166 x 2.207

1.328 x 2.308

-

-

-

-

-

1.250 x 2.500

1.260 x 2.505

1.166 x 2.457

1.328 x 2.558

-

-

-

-

-

Zulässiger Größenbereich NovoPorta Premio E-S-1 / T30/EI2 30-1 / EI2 60-1: BRMvon 625 x 2.000 mm bis 1.375 x 2.500 mm
Technické údaje bezpečnostních dveří E-S-6 / RC 2 / silná falcová lišta
Model

E-S 6

Třída odolnosti

RC 2

Schválené rozměry
Konstrukční rozměr (BR) Šířka min. - max.


625 - 1,250 (575 - 1,200)

Konstrukční rozměr (BR) Výška min. - max.


1,750 - 2,500 (1,725 - 2,475)

Bezpečnostní prvky
Třída odolnosti

RC2

Počet bezpečnostních kolíků na křídlo

2

Bezpečnostní zadlabávací zámek PZ

-

S vícebodovým zamykáním

- (standardně)

S vícebodovým zámkem a 2 přídavnými šrouby

- (volitelně)

Bezpečnostní profilová vložka proti odvrtání

-

Dveřní křídlo
Tloušťka dveřního křídla cca.

40

Tloušťka plechu

1,0 (se superdekorem 0,88)

Silná lišta (3stranná)

-

Typ otvoru podle DIN

levý nebo pravý

Součinitel prostupu tepla podle DIN EN ISO 10 077-1

Ud = 1,7 W/m2K

Stěny
Zdivo (pevnost kamene v tlaku > 12)

≥ 115

Beton (třída pevnosti ≥ 12/15)

≥ 100

Pórobetonové tvárnice/kostky

(třída pevnosti 4 / lepené)

≥ 150

Železobetonové pórobetonové stěnové panely

(třída pevnosti 4 / lepené)

≥ 150

Instalační stěny s ochranou proti vloupání F90/EI90

jako stěna s ocelovými trny (podle DIN 4.102, část 4, tabulka 10.2 nebo EN 13501-2).

≥ 100

Ocelová konstrukce

(minimální tloušťka stěny ocelových profilů 3 mm)

-

Možnost
Také s horním panelem (pouze pro vnitřní použití)

-

Také s vějířovým světlem (pouze pro vnitřní použití)

-

Také zvuková izolace



Standardní prvek 29 - 34 dB * se speciální zvukovou izolací (pouze pro vnitřní použití) až 42 dB*

Zkušební protokol č.

45-11/12




Všechny rozměry v mm BR = stavební rozměr, RAM = vnější rozměr rámu, LD = světlý rozměr otvoru * Uvedené hodnoty zvukové izolace jsou laboratorní hodnoty pouze pro plná křídla dveří. Laboratorní hodnota - 5 dB platí pro hodnotu zvukové izolace dosažitelnou na místě.

- možné - nemožné

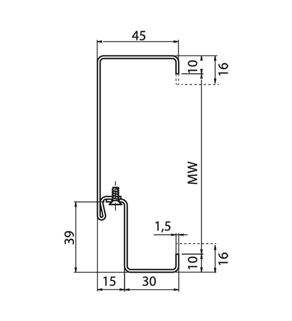
Technické údaje bezpečnostních dveří E-S-1 / E-S-2 / RC 2

Třída odolnosti

Typ

RC2

E-S-1

RC2

E-S-2

Schválené rozměry
Konstrukční rozměr (BRM)Šířka min. - max.500-1.375 (416-1.291)1.375-2.500 (1.291-2.416)
Světlý průchod (LD)Výška min. - max.715-2.500 (673-2.458)1.750-2.500 (1.708-2.458)
také s horním panelem / horním světlemMax. výška--
Bezpečnostní prvky
Třída odolnostiRC2RC2
Počet bezpečnostních kolíků na křídlo22
PZ bezpečnostní zadlabávací zámek--
Neaktivní zámek křídla čelní desky (s uzamykáním směrem nahoru a dolů)--
Bezpečnostní profilová vložka proti odvrtání--
Dveřní křídlo
Tloušťka dveřního křídla cca.6464
Tloušťka plechu (volitelně)1 (1,5)1 (1,5)
Silný přehyb (3stranný)--
Typ otevřenípodle DINvlevo nebo vpravovlevo nebo vpravo
Součinitel prostupu tepla podle DIN EN ISO 10 077-1Ud = 1,5 W/m²KUd = 1,5 W/m²K
Stěny
Zdivo (pevnost kamene v tlaku ≥ 12)≥ 115
Beton (třída pevnosti ≥ 12/15)≥ 100
Pórobetonové tvárnice/kostky (třída pevnosti 4 / lepené)≥ 175
Železobetonové pórobetonové stěnové panely (třída pevnosti 4 / lepené)≥ 150
Stěny z instalačních stěn F60-A/EI60 proti vloupání jako stěny z ocelových trnů (podle DIN 4.102, část 4, tabulka 10.2) nebo EN 13501-2.≥ 100
Stěny z instalačních stěn F60-B/EI60 s ochranou proti vloupání jako stěny z dřevěných trnů (podle DIN 4.102, část 4, tabulka 10.3) nebo EN 13501-2≥ 130
Ocelová konstrukce (minimální tloušťka stěny ocelových profilů 3 mm)-
Varianta
Také s ochranou proti kouři--
Také zvuková izolace23-44 dB*23-44 dB*
Zasklení odolné proti vloupání
Obdélníkové standardní zasklení (P4A nebo P8B podle EN 356) 200 x 600 mm, 500 x 400 mm, 460 x 910 mm
Diamantové standardní zasklení (P4A nebo P8B podle EN 356) 300 mm, 400 mm, 500 mm
Kulaté standardní zasklení (P4A nebo P8B podle EN 356) 350 mm, 450 mm
Speciální zasklení dle vlastního výběru (P4A nebo P8B podle EN 356) Šířka vlysu 3-stranná min. 150 mm
Na straně zámku a na středovém dorazu neaktivního křídla ≥ 180 mm
Viditelně přišroubované ocelové zasklívací lišty volitelně také s přídavnými krycími profily
(bez viditelného upevnění) k dispozici v nerezové oceli
Protokol o zkoušce č.261 8191-GS S01261 8191-GS S01

Všechny rozměry v mm, BRM = stavební rozměr, RAM = vnější rozměr rámu, LD = světlý rozměr otvoru

* Uvedené rozměry zvukové izolace jsou laboratorní hodnoty pouze pro plnokřídlé dveře. Pro index zvukové neprůzvučnosti dosažitelný v budově platí následující: Laboratorní hodnota - 5 dB

- možné

- není možné

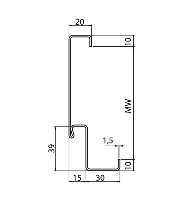
Technické údaje bezpečnostních dveří E-S-1 / E-S-2 / RC 3

Třída odolnosti

Typ

RC3

E-S-1

RC3

E-S-2

Schválené rozměry
Konstrukční rozměr (BRM)Šířka min. - max.

625-1.375 (541-1.291)

1.375-2.500 (1.291-2.416)

Světlý průchod (LD)Výška min. - max.

1.750-2.500 (1.708-2.458)

1.750-2.500 (1.708-2.458)

Konstrukční rozměr (BRM) KlapkaŠířka min.-max.

500-1.000 (416-916)

-

Světlý průchod (LD)Výška min.-max.

715-1.750 (631-1.666)

-

Bezpečnostní prvky
Třída odolnosti

RC3

RC3

Počet bezpečnostních kolíků na křídlo

2 (3)

2 (3)

Bezpečnostní zadlabávací zámek PZ

-

-

Neaktivní zámek křídla čelní desky okrajový šroub (s uzamykáním nahoru a dolů)

-

-

Bezpečnostní profilová vložka proti odvrtání

-

-

Dveřní křídlo
Tloušťka dveřního křídla cca.

64

64

Tloušťka plechu (volitelně

1,5

1,5

Silný přehyb (3stranný)

-

-

Typ otevřenípodle DIN

vlevo nebo vpravo

vlevo nebo vpravo

Součinitel prostupu tepla podle DIN EN ISO 10 077-1

Ud = 1,8 W/m²K

Ud = 1,9 W/m²K

Stěny
Zdivo (pevnost kamene v tlaku ≥ 12)

≥ 115

Beton (třída pevnosti ≥ 12/15)

≥ 120

Pórobetonové tvárnice/kostky (třída pevnosti 4 / lepené)

≥ 240

Železobetonové pórobetonové stěnové panely (třída pevnosti 4 / lepené)

≥ 240

Stěny z instalačních stěn F60-A/EI60 proti vloupání jako stěny z ocelových trnů (podle DIN 4.102, část 4, tabulka 10.2) nebo EN 13501-2

≥ 100

Ocelová konstrukce (minimální tloušťka stěny ocelových profilů 3 mm)

-

Varianta
Také s ochranou proti kouři

-

-

Také zvuková izolace

23-45 dB*

23-43 dB*

Také s prosklením

-

-

Také s horním panelem

-

-

Také s vějířovým světlem

-

-

Zasklení odolné proti vloupání
Obdélníkové standardní zasklení (P4A nebo P8B podle EN 356) 200 x 600 mm, 500 x 400 mm, 460 x 910 mm

Standardní zasklení

Diamantové standardní zasklení

Diamantové standardní zasklení (P4A nebo P8B podle EN 356) 300 mm, 400 mm, 500 mm
Kulaté standardizované zasklení (P4A nebo P8B podle EN 356) 350 mm, 450 mm

Kulaté standardní zasklení

Speciální zasklení do 0,7 m²

Speciální zasklení dle vlastního výběru (P4A nebo P8B podle EN 356) Šířka vlysu 3stranná min. 150 mm
Na straně zámku a na středovém dorazu neaktivního křídla ≥ 180 mm
Viditelně přišroubované ocelové zasklívací lišty volitelně také s přídavnými krycími profily
(bez viditelného upevnění) k dispozici v nerezové oceli
Protokol o zkoušce č.

45-53/18

45-53/18

Všechny rozměry v mm, BRM = stavební rozměr, RAM = vnější rozměr rámu, LD = světlý rozměr otvoru

* Uvedené hodnoty zvukové izolace jsou laboratorní hodnoty pouze pro celokřídlé dveře. Pro index zvukové izolace dosažitelný v budově platí následující: Laboratorní hodnota - 5 dB.

- možné

- není možné

Technické údaje bezpečnostních dveří E-S-1 / EI 30-1 / EI 60-1 / RC 4

Třída odolnosti

Typ

RC4

E-S-1

RC4

EI2 30-1 / EI2 60-1

Schválené rozměry
Konstrukční rozměr (BRM)Šířka min. - max.

625-1.375 (541-1.291)

625-1.375 (541-1.291)

Světlý průchod (LD)Výška min. - max.

2.000-2.500 (1.958-2.458)

2.000-2.500 (1.958-2.458)

Bezpečnostní prvky
Třída odolnosti

RC4

RC4

Počet bezpečnostních kolíků na křídlo

5 (6)

5 (6)

Zadlabací zámek PZ se západkou a závorou jako bezpečnostní vícebodový zámek s kombinací dvojitého šroubu a kyvného šroubu nahoře a dole a dvěma dalšími kyvnými šrouby

-

-

Bezpečnostní cylindrická vložka s profilem proti navrtání

-

-

Dveřní křídlo
Tloušťka dveřního křídla cca.

64

64

Tloušťka plechu (volitelně

1,5

1,5

Silný přehyb (3stranný)

-

-

Typ otevřenípodle DIN

vlevo nebo vpravo

vlevo nebo vpravo

Součinitel prostupu tepla podle DIN EN ISO 10 077-1

Ud = 1,8 W/m²K

Ud = 1,8 W/m²K

Stěny
Zdivo (pevnost kamene v tlaku ≥ 12)

≥ 240

≥ 240

Beton (třída pevnosti ≥ 12/15)

≥ 140

≥ 140

Pórobetonové tvárnice/ bloky

-

-

Železobetonové pórobetonové stěnové panely

-

-

Stěny z instalačních stěn F60-A-/EI60 proti vloupání jako stěny z ocelových trnů (podle DIN 4.102, část 4, tabulka 10.2) nebo EN 13501-2.

-

-

Ocelová konstrukce (minimální tloušťka stěny ocelových profilů 3 mm)

-

-

Možnost
Ohnivzdorné nebo vysoce ohnivzdorné - testováno podle EN 1634-1

-

-

Také s ochranou proti kouři podle EN 1634-3

-

-

také se zvukovou izolací

22-47 dB*

22-47 dB*

Také se zasklením/požárně odolným zasklením1)

-

-

Také s horním panelem

-

-

Také s vějířovým světlem

-

-

K dispozici jako vnitřní nebo vnější dveře

-

-

Certifikace (schválení) jako vnitřní dveře podle ETA-17/0443

-

EI2 30 nebo EI2 60 / CE

Certifikace (schválení) jako vnější dveře podle EN 16034 a EN 14351-1

-

EI2 30 nebo EI2 60 / CE

Zkušební protokol č.

2019-04-0761-K1

2019-04-0761-K1

Všechny rozměry v mm, BRM = referenční rozměr konstrukce, RAM = vnější rozměr rámu, LD = rozměr světlého průchodu * Uvedené hodnoty zvukové izolace jsou laboratorní hodnoty pouze pro plnokřídlé dveře. Pro index zvukové izolace dosažitelný v budově platí: Laboratorní hodnota - 5 dB.

- možné

- není možné

Technické údaje bezpečnostní dveře T/EI 30-1 / 60-1 / 90-1 T/EI 30-2 / 60-2 / 90-2 / RC 2

Třída odolnosti

Typ

RC2

T/EI2 30-1 / 60-1 / 90-1

RC2

T/EI2 30-2 / 60-2 / 90-2

modely

T30/EI2 30/EI2 60

T90/EI2 90

T30/EI2 30/EI2 60

T90/EI2 90

Schválené rozměry
Konstrukční rozměr (BRM) DveřeŠířka min.-max.

625-1.375 (541-1.291)

1.375-2.500 (1.291-2.416

Světlý průchod (LD)Výška min.-max.

1.750-2.500 (1.708-2.458)

1.750-2.500 (1.708-2.458)

Referenční rozměr konstrukce (BRM) Klapka (ne pro EI2 60)Šířka min.-max.

500-1.000 (416-916)

-

Světlý průchod (LD)Výška min.-max.

715-1.750 (631-1.666)

-

Bezpečnostní prvky
Třída odolnosti

RC2

RC2

Počet bezpečnostních kolíků na křídlo

2 (T90/EI2 90 od 2,126 = 3)

2 (T90/EI2 90 od 2 126 = 3)

Bezpečnostní zadlabávací zámek PZ

-

-

Neaktivní křídlový zámek (závora s vrubem) (s uzamykáním směrem nahoru a dolů).

-

-

Bezpečnostní profilová vložka proti odvrtání

-

-

Dveřní křídlo
Tloušťka dveřního křídla cca.

64

64

Tloušťka plechu (volitelně)

1 (1,5)

1 (1,5)

Silný přehyb (3stranný)

-

-

Typ otevřenípodle DIN

vlevo nebo vpravo

vlevo nebo vpravo

Součinitel prostupu tepla podle DIN EN ISO 10 077-1

Ud = 1,5 W/m²K

Ud = 1,7 W/m²K

T/EI2 30

Ud = 1,5 W/m²K

EI2 60 = 1,6 W/m²K

Ud = 1,8 W/m²K

Stěny
Zdivo (pevnost kamene v tlaku ≥ 12)

≥ 115

≥ 175

≥ 115

≥ 175

Beton (třída pevnosti ≥ 12/15)

≥ 100

≥ 140

≥ 100

≥ 140

Pórobetonové tvárnice/blok (pevnostní třída 4 / lepené)

≥ 175

≥ 175

≥ 175

≥ 175

Stěnové panely z pórobetonu (třída pevnosti 4 / lepené)

≥ 150

≥ 175

≥ 150

≥ 175

Stěny z F60-A/EI60 (ne pro T/EI290) nebo z F90-A/EI90- Instalační stěny proti vloupání jako stěny s ocelovými trny (podle DIN 4.102, část 4, tabulka 10.2) nebo EN 13501-2.

≥ 100

≥ 100

≥ 100

≥ 100

Stěny z instalačních stěn F60-B/EI60 pro ochranu proti vloupání jako stěny s dřevěnými trny (podle DIN 4.102, část 4, tabulka 10.3) nebo EN 13501-2

≥ 130 (pouze pro T/EI2 30)

-

≥ 130 (pouze pro T/EI2 30)

-

Opláštěné ocelové sloupy/ocelové nosníky od F60-A/R60 (ne pro T/EI290) nebo od F90-A/R90

na vyžádání

na vyžádání

na vyžádání

na vyžádání

Možnost
Také s horním panelem (max. výška 1 000)

-

-

-

-

Také s vějířovým světlem (max. výška 1 000)

-

-

-

-

Také s ochranou proti kouři

-

-

-

-

Také zvuková izolace

T/EI2 30 23-44 dB* EI2 60 22-36 dB*

23-45 dB*

T/EI2 30 22-43 dB* EI2 60 22-38 dB*

22-43 dB*

Také s prosklením

-

-

-

-

Evropské technické posouzení (schválení) jako interiérové dveře

ETA-17/0443 EI2 30 nebo EI2 60 CE

ETA-17/0443 EI2 90 CE

ETA-17/0443 EI2 30 nebo EI2 60 CE

ETA-17/0443 EI2 90 CE

Národní (německé) schválení jako vnitřní dveře (pouze pro T30/T90)

Z-6.20.2205 T30

Z-6.20.2221 T90

Z-6.20.2205 T30

Z-6.20.2221 T90

Certifikace (schválení) jako vnější dveře podle EN 16034 a EN 14351-1

EI2 30 CE nebo EI2 60 CE

EI2 90 CE

EI2 30 CE nebo EI2 60 CE

EI2 90 CE

Protokol o zkoušce č.

261 8191-GS S01

261 8191-GS S01

Všechny rozměry v mm, BRM = referenční rozměr konstrukce, RAM = vnější rozměr rámu, LD = světlý rozměr otvoru * Uvedené rozměry zvukové izolace jsou laboratorní hodnoty pouze pro plné dveře. Pro index zvukové neprůzvučnosti dosažitelný v budově platí: Laboratorní hodnota - 5 dB - možné - nemožné.
Technické údaje bezpečnostní dveře T/EI 30-1 / 60-1 / 90-1 T/EI 30-2 / 60-2 / 90-2 / RC 3

Třída odolnosti

Typ

RC3

T/EI2 30-1 / 60-1 / 90-1

RC3

T/EI2 30-2 / 60-2 / 90-2

Modely

T30/EI2 30/EI2 60

T90/EI2 90

T30/EI2 30/EI2 60

T90/EI2 90

Schválené rozměry
Konstrukční rozměr (BRM) DveřeŠířka min.-max.

625-1.375 (541-1.291)

1.375-2.500 (1.291-2.416

Světlý průchod (LD)Výška min.-max.

1.750-2.500 (1.708-2.458)

1.750-2.500 (1.708-2.458)

Referenční rozměr konstrukce (BRM) Klapka (ne pro EI2 60)Šířka min.-max.

500-1.000 (416-916)

-

Světlý průchod (LD)Výška min.-max.

715-1.750 (631-1.666)

-

Bezpečnostní prvky
Třída odolnosti

RC3

RC3

Počet bezpečnostních kolíků na křídlo

2 (3)

2 (3)

Bezpečnostní zadlabávací zámek PZ

-

-

Neaktivní křídlový zámek (s falcovou závorou) (s uzamykáním nahoru a dolů)

-

-

bezpečnostní profilová vložka proti odvrtání

-

-

Dveřní křídlo
Tloušťka dveřního křídla cca.

64

64

Tloušťka plechu (volitelně)

1 (1,5)

1 (1,5)

Silný přehyb (3stranný)

-

-

Typ otevřenípodle DIN

vlevo nebo vpravo

vlevo nebo vpravo

Součinitel prostupu tepla podle DIN EN ISO 10 077-1

Ud = 1,8 W/m²K

Ud = 1,8 W/m²K

Ud = 1,9 W/m²K

Ud = 1,9 W/m²K

Stěny
Zdivo (pevnost kamene v tlaku ≥ 12)

≥ 115

≥ 175

≥ 115

≥ 175

Beton (třída pevnosti ≥ 12/15)

≥ 120

≥ 140

≥ 120

≥ 140

Pórobetonové tvárnice/blok (pevnostní třída 4 / lepené)

≥ 240

≥ 240

≥ 240

≥ 240

Stěnové panely z pórobetonu (třída pevnosti 4 / lepené)

≥ 240

≥ 240

≥ 240

≥ 240

Instalační stěny F90-A/EI90 proti vloupání jako stěny s ocelovými trny (podle DIN 4.102, část 4, tabulka 10.2) nebo EN 13501-2.

≥ 100

≥ 100

≥ 100

≥ 100

Opláštěné ocelové sloupy/ocelové nosníky F90-A nebo R90

na vyžádání

na vyžádání

na vyžádání

na vyžádání

možnost
Také s horním panelem (max. výška 1 000)

-

-

-

-

Také s vějířovým světlem (max. výška 1 000)

-

-

-

-

Také s ochranou proti kouři

-

-

-

-

Také zvuková izolace

23-45 dB*

23-45 dB*

22-43 dB*

22-43 dB*

Také s prosklením

-

-

-

-

Evropské technické posouzení (schválení) jako interiérové dveře

ETA-17/0.443 EI2 30 nebo EI2 60 CE

ETA-17/0443 EI2 90 CE

ETA-17/0443 EI2 30 nebo EI2 60 CE

ETA-17/0443 EI2 90 CE

Národní (německé) schválení jako vnitřní dveře (pouze pro T30/T90)

Z-6.20.2205 T30

Z-6.20.2221 T90

Z-6.20.2205 T30

Z-6.20.2221 T90

Certifikace (schválení) jako vnější dveře podle EN 16034 a EN 14351-1

EI2 30 CE nebo EI2 60 CE

EI2 90 CE

EI2 30 CE nebo EI2 60 CE

EI2 90 CE

Protokol o zkoušce č.

45-53/18

45-53/18

Všechny rozměry v mm, BRM = referenční rozměr konstrukce, RAM = vnější rozměr rámu, LD = světlý rozměr otvoru * Uvedené hodnoty zvukové izolace jsou laboratorní hodnoty pouze pro plné dveře. Pro index zvukové izolace dosažitelný v budově platí následující: Laboratorní hodnota - 5 dB - možné - nemožné.
Zargen

ZARGEN

Eckzarge

E-S 6




PremioE-S-1/T/EI2 30-1/60-1/90-1E-S-2/T/EI2 30-2/60-2/90-2

Rohový / pultový rám

E-S 6




PremioE-S-1/T/EI2 30-1/60-1/90-1E-S-2/T/EI2 30-2/60-2/90-2

Okolní rám


E-S 6 1 kus


E-S 6 dvoudílný





PremioE-S-1/T/EI2 30-1/60-1/90-1E-S-2/T/EI2 30-2/60-2/90-2 1-teilig





PremioE-S-1/T/EI2 30-1/60-1/90-1E-S-2/T/EI2 30-2/60-2/90-2 dvoudílný (typ 2140B)

Blockzarge


E-S 6 Typ 1





PremioE-S-1/T/EI2 30-1/60-1/90-1E-S-2/T/EI2 30-2/60-2/90-2 Typ 2





PremioE-S-1/T/EI2 30-1/60-1/90-1E-S-2/T/EI2 30-2/60-2/90-2 Typ 2



Všechny rozměry v mm BRM= referenční rozměr konstrukce Zapuštěné rámy v provedení na míru pro typy E-S 6 na vyžádání.

Připojení na stěnu

PŘIPOJENÍ NA STĚNU

Eckzarge

E-S 6




PremioE-S-1/T/EI2 30-1/60-1/90-1E-S-2/T/EI2 30-2/60-2/90-2




PremioE-S-1/T/EI2 30-1/60-1/90-1E-S-2/T/EI2 30-2/60-2/90-2




PremioE-S-1/T/EI2 30-1/60-1/90-1E-S-2/T/EI2 30-2/60-2/90-2

Rohový / pultový rám

E-S 6




PremioE-S-1/T/EI2 30-1/60-1/90-1E-S-2/T/EI2 30-2/60-2/90-2




PremioE-S-1/T/EI2 30-1/60-1/90-1E-S-2/T/EI2 30-2/60-2/90-2

Okolní rám

E-S 6


E-S 6




PremioE-S-1/T/EI2 30-1/60-1/90-1E-S-2/T/EI2 30-2/60-2/90-2




PremioE-S-1/T/EI2 30-1/60-1/90-1E-S-2/T/EI2 30-2/60-2/90-2




PremioE-S-1/T/EI2 30-1/60-1/90-1E-S-2/T/EI2 30-2/60-2/90-2




PremioE-S-1/T/EI2 30-1/60-1/90-1E-S-2/T/EI2 30-2/60-2/90-2

Blockzarge


E-S 6 Typ 1





PremioE-S-1/T/EI2 30-1/60-1/90-1E-S-2/T/EI2 30-2/60-2/90-2 Typ 1




PremioE-S-1/T/EI2 30-1/60-1/90-1E-S-2/T/EI2 30-2/60-2/90-2 Typ 2

Stěnové spoje, prahové varianty

PŘIPOJENÍ NA STĚNU, VARIANTY PRAŽCŮ



Připojení kestěně z pórobetonu (přivaření) Odpovídající minimální tloušťky stěn pro schválenou montáž bezpečnostních dveří do stěn z pórobetonu naleznete na příslušných technických stránkách hlavního výrobku.

E-S 6




PremioE-S-1/T/EI2 30-1/60-1/90-1E-S-2/T/EI2 30-2/60-2/90-2




PremioE-S-1/T/EI2 30-1/60-1/90-1E-S-2/T/EI2 30-2/60-2/90-2

PRAHOVÉ VARIANTY PREMIO

A Práh na úrovni podlahy



B1 Práh pro dveře od výšky BRM 1 750 mm 4stranný obvodový rám (dveřní křídlo a rám 4stranný obvodový)


B1 Práh pouze pro stěnové klapky do výšky BRM 1 749 mm 4stranný obvodový rám (dveřní křídlo a rám 4stranný obvodový)


B2 Práh pro malé dveře do výšky BRM 1 749 mm a dveře od výšky BRM 1 750 mm 4stranná obvodová zárubeň (zárubeň 4stranná obvodová).

Práh BE-3 se čtyřstranným okolním rámem

Práh BE-2 se čtyřstranným okolním rámem



C2 Práh se spodní zarážkou a těsněním

C2 Práh se spodním dorazem a těsněním pro rám s výklenkem v podlaze

RS1/RS1V snižovatelné podlahové těsnění

2xRS1 dvojité spouštěcí podlahové těsnění

RS2 Těsnící práh/hrbový práh

PRAHOVÉ VARIANTY E-S 6

Standardní nájezdové těsnění

Volitelné těsnění podlahy s možností snížení

Volitelné dorazové těsnění BE2

Vzbudili jsme váš zájem?

Novoferm spolupracuje s širokou sítí specializovaných prodejců v Německu - ve vašem okolí. Naši autorizovaní specializovaní prodejci Novoferm nabízejí odborné poradenství, prodej, měření, montáž, demontáž a ekologickou likvidaci našich výrobků za konkurenceschopné ceny all-inclusive.

Rádi vám pomůžeme.

Chcete větší bezpečnost?

Dveře odolné proti střelám od společnosti Novoferm


Zvýšení nebezpečí před útoky velkou silou Existuje mnoho citlivých oblastí, které je třeba chránit před útoky všeho druhu. Hrozba, kterou představuje používání ručních zbraní a útočných pušek, je stále reálnější, a to nejen v armádě, ale i ve veřejném, civilním a soukromém sektoru. NovoPorta Premio prošla zkouškami podle normy DIN EN 1522/1523na odolnost proti průstřelu třídy FB 4 NS v jedno- a dvoukřídlém provedení, stejně jako zkouškou VPAM* APR 2006 na úrovni 6 NS jako jednokřídlý prvek.


Dveře odolné proti střelám